Engros Cyklonplade vådskrubber

  • Cyklonplade vådskrubber

Cyklonplade vådskrubber

Cyklonskrubbertårnet har typisk et cylindrisk tårnlegeme udstyret med spiralformede ledeplader. Under drift kommer røggas tangentielt ind fra bunden af ​​tårnet og strømmer opad. Styret af ledepladernes blade spiraler gassen opad og forstøver væsken, der strømmer ned ad pladerne, til fine dråber. Dette skaber et stort gas-væske kontaktområde. Dråberne bæres af gasstrømmen og roterer, hvilket genererer centrifugalkraft, der forbedrer gas-væske interaktion. Til sidst kastes dråberne på tårnvæggen, strømmer nedad langs væggen til den næste ledeplade og genforstøves af gasstrømmen for yderligere kontakt. Som beskrevet opnår væsken grundig kontakt med gassen, samtidig med at den opretholder en effektiv adskillelse - minimerer tågeindblanding. Gas-væske belastningskapaciteten af ​​dette system er mere end det dobbelte af konventionelle ledeplader.

Tårnets fremragende gas-væske kontaktforhold sikrer effektiv absorption af røggasser af alkaliske væsker. Derudover demonstrerer cyklonskrubbertårnet overlegen støvfjernelsesevne. Støvpartikler i gassen fanges af vandtåge på spiralbaffelpladerne, og partikler og dråber, der kastes på tårnvæggen af ​​centrifugalkraft, fjernes også effektivt. Som et resultat bærer gassen, der forlader tårnet, minimalt med støv og dråber. Vindhastigheden i det tomme tårn ligger mellem 2,2-2,7 m/s.

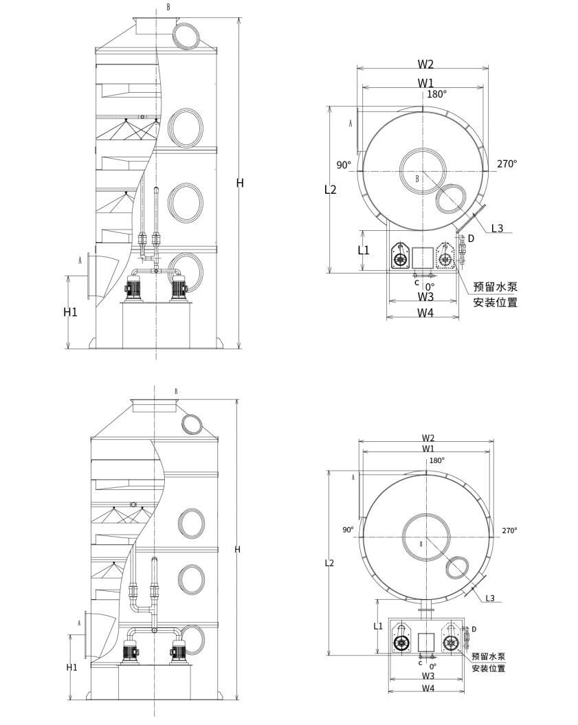
Swirl spray tårn struktur:
Som vist på figuren: Det komplette pakkede sprøjtevaskesystem inkluderer følgende komponenter:

● Tårnlegeme lavet af PP (polypropylen) plader;

● Ramme konstrueret med PP spiralplader;

● Sprayforbindelsesrør lavet af UPVC (uplastificeret polyvinylchlorid);

● PP spiraldyser;

● Korrosionsbestandig PP-cirkulationspumpe;

● Affugterlag (mesh/cyklon/baffeltype);

● Manuelle og automatiske vandpåfyldningsanordninger;

● Overløbs- og drænrør;

● Inspektionsvindue.

Parametre for valg af cyklonpladetårn:
For at sikre transport bekvemmelighed og sikkerhed er PP cyklon scrubber tårne opdelt i to specifikationskategorier:

Type 1: Integreret vandtank cyklon scrubber (tårndiameter: Φ1000mm-Φ2200mm)

Type 2: Split-type vandtank cyklon scrubber (tårndiameter: Φ2500mm-Φ3500mm)


Cyklon scrubber tårn modeller svarende til luftstrømskapacitet:

Model Luftmængdeområde Enhedens størrelse Vandpumpekraft Antal hvirvelblade Vindhastighedsområde Udstyrsmateriale
XL-600 0-2800m³/t Φ600×2950 0,75 kw 2 0-2,76 m/s PP/304/Q235/FRP
XL-800 3800-5000 m³/t Φ800×3300 0,75 kw 2 2,11-2,77 m/s PP/304/Q235/FRP
XL-1000 6000-7500m³/t Φ1000×4380 1,5 kw 2 2,13-2,66m/s PP/304/Q235/FRP
XL-1200 8500-11000m³/t Φ1200×4430 2,2kw 2 2,09-2,71 m/s PP/304/Q235/FRP
XL-1500 14000-17000m³/t Φ1500×5000 3,75 kw 2 2,2-2,68m/s PP/304/Q235/FRP
XL-1800 20.000-25.000 m³/t Φ1800×5650 5,5 kw 2 2,19-2,73m/s PP/304/Q235/FRP
XL-2000 25001-30000m³/t Φ2000×6200 5,5 kw 2 2,21-2,66 m/s PP/304/Q235/FRP
XL-2200 30001-37000m³/t Φ2200×6700 7,5 kw 2 2,19-2,71 m/s PP/304/Q235/FRP
XL-2500 40.000-47.000 m³/t Φ2500×6850 7,5 kw 2 2,27-2,66 m/s PP/304/Q235/FRP
XL-2800 49000-58000m³/t Φ2800×7900 11 kw 2 2,21-2,62 m/s PP/304/Q235/FRP
XL-3000 58000-68000m³/t Φ3000×8000 11 kw 2 2,28-2,67 m/s PP/304/Q235/FRP
XL-3200 68000-78000m³/t Φ3200×8000 15 kw 2 2,35-2,7 m/s PP/304/Q235/FRP
XL-3500 78000-88000m³/t Φ3500×8000 15 kw 2 2,25-2,54 m/s PP/304/Q235/FRP

Bemærk: Ikke-standard design kan laves i henhold til kundens krav.

Udvalgsdiagram:

Hangzhou Lvran Environmental Protection Group Co., Ltd.

  • 1000+

    Serviceenhedens kunder

  • 2000+

    Nationale ingeniørsager

Hangzhou Lvran Environmental Protection Group Co., Ltd. er en omfattende leverogør af spildgasbehandlingssystemingeniørtjenester og udstyrsproducent, der integrerer F&U, tekniske tjenester, design, produktion, ingeniørinstallation og eftersalgsservice.

We are China Cyklonplade vådskrubber Suppliers and Wholesale Cyklonplade vådskrubber Exporter, Company. Gruppen er en national højteknologisk virksomhed, en videnskabs- og teknologivirksomhed i Zhejiang-provinsen, et regionalt R&D-center og en AAA-vurderet kreditenhed. Det har over 30 brugsmodelpatenter, adskillige opfindelsespatenter og softwareophavsrettigheder. Gruppen har langvarige tekniske F&U-samarbejder med indenlandske universiteter og institutioner, herunder "Environmental Innovation R&D Center" etableret med Anhui University of Science and Technology og "Plasma Energy and Environmental New Technology R&D Center" udviklet i fællesskab med Zhejiang Sci-Tech University. Koncernen har etableret sin egen R&D- og produktionsbase for et dybtgående teknisk samarbejde. Koncernen besidder kerne VOC-gasbehandlingsteknologi, har en niveau 2 generel entreprise-kvalifikation for kommunalt byggeri af offentlige arbejder, en sikkerhedsproduktionslicens, en klasse B-special designkvalifikation til miljøforureningskontrol i Zhejiang-provinsen, uklassificerede kvalifikationer for arbejdskraft og specialiserede kontrakter til særlige projekter. Gruppen er certificeret til ISO9001 for international kvalitet, ISO14001 for miljøledelse og ISO45001 for arbejdsmiljø og sikkerhed.

ÆRES & CERTIFIKAT

Følgende hædersbevisninger repræsenterer vores glans. Vi vinder kunder med produkter af høj kvalitet og vinder stor ros fra markedet og alle samfundslag med god service.

  • En grundenhed og reaktor af pladetype med højt elektrisk felt til at forhindre lækage langs overfladen
  • En reaktionsanordning til syntese af methanol ved anvendelse af kuldioxid og vand og en fremgangsmåde til syntese af methanol ved anvendelse af kuldioxid og vand
  • Selvrensende elektrostatisk udskiller
  • En korrosionsbestandig højtryksventilator med vindretningsjusteringsfunktion
  • En justerbar selvrensende blæser med høj kapacitet
  • Kombineret katalytisk forgasning kontrolsystem til forbehandling af udstødningsgas
  • Damprensning kontinuerligt elektrostatisk felt udstødningsgasrensning og behandlingssystem
  • Lav temperatur plasma UV fotolyse udstødningsgas rensning udstyr system
  • Varemærkeregistreringsbevis
Senest nyheder og begivenheder
Del med dig
Se flere nyheder