Engros Kemisk skrubber

  • Kemisk skrubber

Kemisk skrubber

Den kemiske skrubber er et avanceret skrubbefilter. Den bruger en speciel struktur og et stort specifikt overfladeareal af almindelig pakning som masseoverførsel og dehydreringspakning. Samtidig, ifølge de forskellige lugtfremkaldende komponenter i lugten, bruges den tilsvarende syre, alkali og oxidant som absorptionsvaskevæske for at fjerne lugten i rummet og eliminere påvirkningen af ​​det omgivende miljø.

Den lugtende luftstrøm transporteres gennem luftkanalen og kommer ind i tårnet fra tårnindtaget. Efter at den er kommet ind i tårnet, passerer den gennem pakningslaget fra bund til top og udledes til sidst fra tårnets øverste rørledningsudløb gennem anti-korrosionsventilatoren. Den neutraliserende opløsning passerer gennem væskeudskilleren i toppen af ​​tårnet, sprøjter jævnt ind i pakningslaget, flyder ned langs overfladen af ​​pakningslaget, indtil det udledes fra tårnets bund gennem rørledningen og cirkuleres af anti-korrosionscirkulationspumpen. Efterhånden som koncentrationen af ​​opløste stoffer i den stigende luftstrøm bliver lavere og lavere, opnås rensefunktionen, når den når toppen af ​​tårnet, og den udledes eller fortsætter med at blive renset gennem næste trin. Tværtimod bliver koncentrationen af ​​mediet i den nedadgående væske højere og højere, og det når procesbetingelserne, når det når bunden af ​​tårnet og udledes fra tårnet.

Fordele ved spraypakketårnet: Det har høj effektivitet, lille væskeholdekapacitet, let vægt og nem betjening, hvilket gør det muligt for arbejdere at komme i gang med det samme. Fyldstoffet kan vælges i henhold til de arbejdsbetingelser, som kunden leverer. Der er mange typer, og korrosionsbestandige kugleringe bruges generelt. Det skal dog bemærkes, at fast suspenderet stof kan tilstoppe fyldstoffet på grund af dets store partikeldiameter, så det er generelt ikke egnet til faststofbehandling. For eksempel kan NH₃, HCl, H₂S, nitrogenoxider og organisk affaldsgas genereret af fabrikker behandles effektivt med dette udstyr.

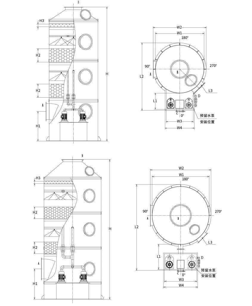
Kemisk scrubber struktur:
Som vist på figuren: Det komplette pakkede sprøjtevaskesystem inkluderer følgende komponenter:

1. Tårnkroppen lavet af PP (polypropylen) plader;

2. Pakningsstøtteramme lavet af PP-ristepaneler;

3. Sprøjteforbindelsesrør lavet af UPVC;

4. PP spiraldyser;

5. Hul kugle eller Pall ring pakning;

6. Korrosionsbestandig PP-cirkulationspumpe;

7. Mesh demister lag;

8. Manuelle og automatiske vandpåfyldningsanordninger;

9. Overløbs- og drænrør;

10. Inspektionsvindue.

Valg af kemisk scrubber:
Teknisk parametertabel for pakket sprayscrubber

For at sikre transport bekvemmelighed og sikkerhed er PP-pakkede sprayscrubbere opdelt i to typer:

Type 1: Integreret vandtankpakket sprayscrubber (tårndiameter: Φ1000mm-Φ2200mm)

Type 2: Split-type vandtankpakket sprayscrubber (tårndiameter: Φ2500mm-Φ3500mm)


Modelspecifikationer svarende til luftstrømskapacitet:

Model Luftmængde Enhedens størrelse Vandpumpekraft Fyldningstykkelse Vindhastighed Udstyrsmateriale
LRTL-600 0-1500m³/t Φ600x3000 0,75 kw 500*2 1,48m/s PP/304/Q235/FRP
LRTL-800 1501-2500m³/t Φ800x3000 0,75 kw 500*2 1,39 m/s PP/304/Q235/FRP
LRTL-1000 2501-4000 m³/t Φ1000x5000 1,5 kw 500*2 1,42 m/s PP/304/Q235/FRP
LRTL-1200 4001-6000 m³/t Φ1200x5000 2,2kw 500*2 1,48m/s PP/304/Q235/FRP
LRTL-1500 6001-9500m³/t Φ1500x5000 3,75 kw 500*2 1,5 m/s PP/304/Q235/FRP
LRTL-1800 9501-14000m³/t Φ1800x5000 5,5 kw 500*2 1,53 m/s PP/304/Q235/FRP
LRTL-2000 14001-17000m³/t Φ2000x6000 5,5 kw 500*2 1,5 m/s PP/304/Q235/FRP
LRTL-2200 17001-20000m³/t Φ2200x6000 7,5 kw 500*2 1,46m/s PP/304/Q235/FRP
LRTL-2500 20001-27000m³/t Φ2500x6000 7,5 kw 500*2 1,53 m/s PP/304/Q235/FRP
LRTL-2800 27001-33000m³/t Φ2800x6000 15 kw 500*2 1,49 m/s PP/304/Q235/FRP
LRTL-3000 33001-38000m³/t Φ3000x6800 15 kw 500*2 1,49 m/s PP/304/Q235/FRP
LRTL-3200 38001-44000m³/t Φ3200x6800 15 kw 500*2 1,52 m/s PP/304/Q235/FRP
LRTL-3500 44001-55000m³/t Φ3500x6800 15 kw 500*2 1,5 m/s PP/304/Q235/FRP

Bemærk: Ikke-standard design kan tilpasses efter kundens krav.

Udvalgsdiagram:

Hangzhou Lvran Environmental Protection Group Co., Ltd.

  • 1000+

    Serviceenhedens kunder

  • 2000+

    Nationale ingeniørsager

Hangzhou Lvran Environmental Protection Group Co., Ltd. er en omfattende leverogør af spildgasbehandlingssystemingeniørtjenester og udstyrsproducent, der integrerer F&U, tekniske tjenester, design, produktion, ingeniørinstallation og eftersalgsservice.

We are China Kemisk skrubber Suppliers and Wholesale Kemisk skrubber Exporter, Company. Gruppen er en national højteknologisk virksomhed, en videnskabs- og teknologivirksomhed i Zhejiang-provinsen, et regionalt R&D-center og en AAA-vurderet kreditenhed. Det har over 30 brugsmodelpatenter, adskillige opfindelsespatenter og softwareophavsrettigheder. Gruppen har langvarige tekniske F&U-samarbejder med indenlandske universiteter og institutioner, herunder "Environmental Innovation R&D Center" etableret med Anhui University of Science and Technology og "Plasma Energy and Environmental New Technology R&D Center" udviklet i fællesskab med Zhejiang Sci-Tech University. Koncernen har etableret sin egen R&D- og produktionsbase for et dybtgående teknisk samarbejde. Koncernen besidder kerne VOC-gasbehandlingsteknologi, har en niveau 2 generel entreprise-kvalifikation for kommunalt byggeri af offentlige arbejder, en sikkerhedsproduktionslicens, en klasse B-special designkvalifikation til miljøforureningskontrol i Zhejiang-provinsen, uklassificerede kvalifikationer for arbejdskraft og specialiserede kontrakter til særlige projekter. Gruppen er certificeret til ISO9001 for international kvalitet, ISO14001 for miljøledelse og ISO45001 for arbejdsmiljø og sikkerhed.

ÆRES & CERTIFIKAT

Følgende hædersbevisninger repræsenterer vores glans. Vi vinder kunder med produkter af høj kvalitet og vinder stor ros fra markedet og alle samfundslag med god service.

  • En grundenhed og reaktor af pladetype med højt elektrisk felt til at forhindre lækage langs overfladen
  • En reaktionsanordning til syntese af methanol ved anvendelse af kuldioxid og vand og en fremgangsmåde til syntese af methanol ved anvendelse af kuldioxid og vand
  • Selvrensende elektrostatisk udskiller
  • En korrosionsbestandig højtryksventilator med vindretningsjusteringsfunktion
  • En justerbar selvrensende blæser med høj kapacitet
  • Kombineret katalytisk forgasning kontrolsystem til forbehandling af udstødningsgas
  • Damprensning kontinuerligt elektrostatisk felt udstødningsgasrensning og behandlingssystem
  • Lav temperatur plasma UV fotolyse udstødningsgas rensning udstyr system
  • Varemærkeregistreringsbevis
Senest nyheder og begivenheder
Del med dig
Se flere nyheder